Pallet Fork Clamp Side shifting or Non-Side shifting
- Side shifting: 2 hydraulic functions required
- Non-side shifting: 1 hydraulic function required
- Maximum operating pressure: 2000 PSI.
- Recommended flow rate:
- GA19D & GA20D 8-12 GPM
- GA30D 8-14 GPM
- Various fork lengths available
- Slip-on arms available to handle drums, boxes, bales, bricks, and blocks
- Fork cut-outs available for drum handling
- Custom opening ranges available
- Bolt-on mounting standard/Quick change mount optional
- Solenoid selector valve
- Pressure relief valve
- Slip-on contact pads
- Drum forks
- Tire forks
- More uses than a fork positioner
- Grip and lift using the lock valve
- Fork Positioning
- Clamping
- Capacities From 3,500 Lb to 7,000 Lb
- E-Profile Aluminum Frame
- T-Bar Alloy Steel Arm Carriers
- Self-Aligning Cylinders
- Lube-Free Contoured Arm Bearings
- Cylinder Protection Bumper

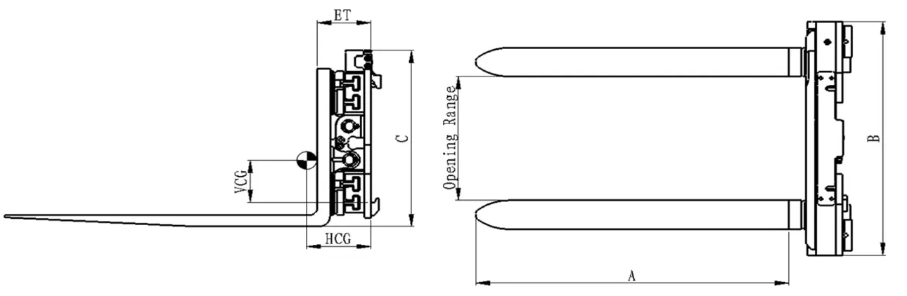
Pallet Fork Clamp: Side shifting or non-side shifting.
|
Capacity LB @24” L |
Catalog Order No. |
Mounting Class |
Opening Range |
Fork Length X
|
Frame
|
Overall
Height
C
|
Vertical
|
Weight
|
Effective
|
Horizontal
|
|
3500 |
GA19D-FCS-01A |
II |
16.1 - 65.3 |
36 |
37 |
28.7 |
7.28 |
649 |
7.1 |
6.6 |
|
3500 |
GA19D-FCS-02A |
II |
16.1 - 65.3
|
42 |
37 |
28.7
|
6.9 |
673 |
7.1 |
7.8 |
|
3500 |
GA19D-FCS-03A |
II |
16.1 - 65.3
|
48 |
37 |
28.7
|
6.7 |
722 |
7.1 |
9.1 |
|
5000 |
GA20D-FCS-01A |
II |
18.3 - 71.2 |
36 |
40 |
28.7
|
8.5 |
882 |
8.2 |
6.8 |
|
5000 |
GA20D-FCS-01B |
III |
18.3 - 71.2
|
36 |
40 |
28.7
|
8.4 |
928 |
8.2 |
6.6 |
|
5000 |
GA20D-FCS-02A |
II |
18.3 - 71.2
|
42 |
40 |
28.7
|
7.8 |
924 |
8.2 |
8 |
|
5000 |
GA20D-FCS-02B |
III |
18.3 - 71.2
|
42 |
40 |
28.7
|
8 |
964 |
8.5 |
7.9 |
|
5000 |
GA20D-FCS-03A
|
II |
18.3 - 71.2
|
48 |
40 |
28.7
|
7.6 |
957 |
8.2 |
8.9 |
|
5000 |
GA20D-FCS-03B |
III |
18.3 - 71.2
|
48 |
40 |
28.7
|
7.5 |
999 |
8.5 |
8.7 |
|
7000 |
GA30D-FCS-01B |
III |
16.6 - 77
|
48 |
48 |
32.28
|
14.1 |
1515 |
9.6 |
8.3 |
|
7000 |
GA20D-FCS-01C |
IV |
16.6 - 77
|
48 |
48 |
33.5
|
12 |
1515 |
9.6 |
8.3 |
Request a Quote
Fork-Co Leads the Pack
With our industry-best lead times (4-5 weeks on complex builds), full in-house engineering and design team, on-site manufacturing and fabrication facility just south of Houston, TX, and vast standard product inventory, Fork-Co is the right choice for your project. We stand behind our products 100%, either it accomplishes your goals, or we aren't done.
To install this Web App in your iPhone/iPad press
and then Add to Home Screen.
